挖掘机、抓钢机、抓料机、报废汽车拆解机的油品选择和使用说明
在挖掘机、抓钢抓料机、报废汽车拆解机的使用过程中,如果使用了不恰当的油品,也就是些那劣质的、变质的油品,那么当我们的机械使用这些油品的时候,会产生很严重的后果,轻则不能正常工作,重则可能导致机械报废。所以油品的选择非常重要,这次以j9.com重机生产的产品为例进行说明。
在使用和选择油品,涉及到不同机械部位、环境温度等的变化时,需及时更换相应油品,否则极易发生非正常故障,下表为详细情况说明:

而润滑油品的选择主要分为柴油机油的选择和液压油的选择。
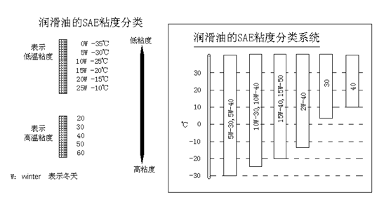
柴油机的矿物油的粘度-温度关系的特性是粘度随温度升高而下降。可获得较高效率和经济性的。最佳运行粘度为:V 最佳 =36~16cst. 润滑的需要限制粘度最低为:V min ≥10cst(短时),在起动的短时间内,高粘度是允许的,但要低于会损坏机组的值: V 起动 ≤1000cst,在冬季,一般选用 SAE5W-30 和 SAE5W-40,如美孚多威力 1 号。润滑机油粘度主要根据使用温度的变化确定,见下图


液压油的液压柱塞元件(柱塞泵、柱塞马达)其最佳液压油粘度范围是:V=16~36 mm 2 /s,主阀和先导阀使用粘度为:10~380 mm 2 /s,最低 V min =5 mm 2 /s,只允许很短时间,最高 V max =1600 mm 2 /s,只允许很短时间(如冷起动),要正确选用液压油,首先要知道系统在达热平衡以后的工作温度(即油箱油温),在该温度下,选用的液压油应落在下图的阴影区。如果在阴影区对应几种等级的油,那么选粘度等级较高的。
例如,在某环境温度下,油箱油温为 60℃,在阴影区中有两个牌号的油。VG46 和 VG68,(见下图),那么,应该选 VG68。据上所叙,我们推荐:在冬天,我国北方地区用 VG46 号油,如美孚力图 H46,在广大南方地区用 VG68号油,如美孚力图 H68;在夏天,VG68 基本可在全国通用,在特别寒冷地区,如西北、东北的冬季,也可选用VG32,VG22。
液压油粘度随温度的变化见下图。

平时在更换油品时,应尽可能将系统中的油放干净。由于各品牌油品的添加剂不同,液压油不同的品牌不允许混用;而相同品牌不同粘度的,在满足使用粘度的情况下允许混用。大家如果对现在使用的油品有任何疑惑,可以联系四川j9.com重机有限责任公司咨询了解及购买使用。

中文
English
русский язык



